1277星际电子

动力弹簧在杠铃;;;;ぷ爸弥械挠τ胈涡卷升降发条弹簧-恒力清静门窗弹簧-碳刷变力窗帘弹簧-1277星际电子细密金属有限公司

国家高新企业

动力弹簧在杠铃;;;;ぷ爸弥械挠τ胈涡卷升降发条弹簧-恒力清静门窗弹簧-碳刷变力窗帘弹簧-1277星际电子细密金属有限公司

天下服务热线:

0755-27058501

18665909007

动力弹簧在杠铃;;;;ぷ爸弥械挠τ胈涡卷升降发条弹簧-恒力清静门窗弹簧-碳刷变力窗帘弹簧-1277星际电子细密金属有限公司

国家高新企业

动力弹簧在杠铃;;;;ぷ爸弥械挠τ胈涡卷升降发条弹簧-恒力清静门窗弹簧-碳刷变力窗帘弹簧-1277星际电子细密金属有限公司

天下服务热线:

0755-27058501

18665909007

动力弹簧在杠铃;;;;ぷ爸弥械挠τ

泉源:1277星际电子细密 时间:2022-07-26

       杠铃是一种焦点训练运动训练器材,, ,也是举重所用器材,, ,杠铃运动属于重量训练的一种,, ,只是使用杠铃训练器材,, ,来增进肌肉实力的训练,, ,也可以使用杠铃举行焦点训练,, ,增进整体的协调性。。 。。。。
 
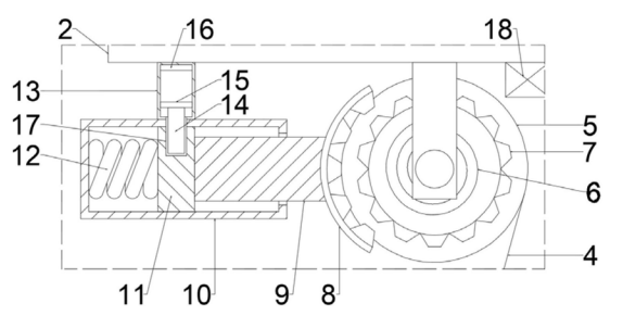
       杠铃相关于其他健身器材重量较重,, ,也是容易泛起意外的健身器材,, ,现有的杠铃在使用时,, ,缺乏响应的;;;;げ椒,, ,容易砸伤使用者或者损坏杠铃。。 。。。。以上问题动力弹簧就能解决,, ,加入动力弹簧的杠铃举重;;;;ぷ爸谩! 。。。。它涉及健身器材手艺领域,, ,包括底板,, ,还包括:放置台,, ,与底板毗连;;;;杠铃,, ,与放置台抵接;;;;;;;;せ,, ,一端与放置台毗连,, ,另一端与杠铃毗连,, ,所述;;;;せ拱ǜ杏ζ鳌⒘榧和卡接组件;;;;握持机构,, ,与杠铃毗连。。 。。。。

       运感职员通过握持机构握住杠铃举行磨炼,, ,杠铃发动联动组件运动,, ,当人体脱力时,, ,杠铃在自身重力下发动联动组件快速运动,, ,当感应器感应到联动组件运动速率较快时,, ,感应器启动卡接组件运动,, ,卡接组件春联动组件举行卡接,, ,阻碍联动组件运动,, ,进而阻碍杠铃运动,, ,对人体举行;;;;ぁ! 。。。。


 1277星际电子(中国游)官方游戏网址
 
 
       那么杠铃是怎样运动的呢????人握住杠铃,, ,进而发动杠铃纵向运动,, ,杠铃发动毗连绳4运动,, ,在动力弹簧6的作用力下,, ,使得毗连辊5转动,, ,毗连辊5配合杠铃的纵向运动,, ,对毗连绳4举行放线或绕卷,, ,同时毗连辊5发动齿轮7转动。。 。。。。
 
       在装置中动力弹簧起到了很主要的作用,, ,动力弹簧是由钢带卷制而成,, ,使用上需有弹簧盒限制其外径,, ,弹簧中心与轴相接,, ,当施以外力使轴与弹簧爆发相对旋转时,, ,弹簧会卷于轴心并贮存扭力,, ,当外力消逝时,, ,弹簧便爆发扭力于轴或是弹簧盒。。 。。。。

1277星际电子(中国游)官方游戏网址
 
 
      动力弹簧的优点在于依其放松后的形状分为自然型动力弹簧与预力型动力弹簧。。 。。。。相比照,, ,预力型动力弹簧能多贮存25%到55%的扭力,, ,并可提供较多的有用转动圈数。。 。。。。
 
      1277星际电子细密的动力弹簧由301高强度不锈钢制成。。 。。。。其他质料,, ,可凭证定制应用的要求使用。。 。。。。它的主要特点是每单位变形提供高扭矩正常剩余应力。。 。。。。1277星际电子拥有二十多年发条弹簧生产履历,, ,提出州差别的发条弹簧应用设计息争决方案,, ,我们真挚的建议客户在产品导入研发初期,, ,就能和1277星际电子研发工程师13727443413刘工取得咨询服务。。 。。。。遵照客户之需求及协助产品设计、开发、打样,, ,让您的产品找到最佳的解决方案,, ,以知足您的应用需求。。 。。。。

【网站地图】