1277星际电子

碳刷弹簧在风力发电机滑环刷架的应用_涡卷升降发条弹簧-恒力清静门窗弹簧-碳刷变力窗帘弹簧-1277星际电子细密金属有限公司

国家高新企业

碳刷弹簧在风力发电机滑环刷架的应用_涡卷升降发条弹簧-恒力清静门窗弹簧-碳刷变力窗帘弹簧-1277星际电子细密金属有限公司

天下服务热线:

0755-27058501

18665909007

碳刷弹簧在风力发电机滑环刷架的应用_涡卷升降发条弹簧-恒力清静门窗弹簧-碳刷变力窗帘弹簧-1277星际电子细密金属有限公司

国家高新企业

碳刷弹簧在风力发电机滑环刷架的应用_涡卷升降发条弹簧-恒力清静门窗弹簧-碳刷变力窗帘弹簧-1277星际电子细密金属有限公司

天下服务热线:

0755-27058501

18665909007

碳刷弹簧在风力发电机滑环刷架的应用

泉源:1277星际电子细密 时间:2022-07-07

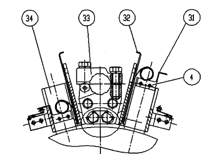
       为了防止风力发电机滑环刷架集电装置上的碳刷磨损过量而引发事故,,为每一个碳刷设置了一个常闭开关式的报警单位,,这些报警单位串联后接至报警器。。。。在现有手艺中,,接地刷握在结构上釆用螺旋弹簧压指杠杆结构,,为包管碳刷磨耗后仍有足够的压力,,不得不加大弹簧的初始压力,,这加剧了碳刷的磨耗。。。。但到了碳刷磨耗的后期,,螺旋弹簧的拉力又变得缺乏,,使得碳刷与滑环之间的接触不良,,频仍跳动,,导致断裂 ;;;;;同时,,从碳刷到报警单位,,中心环节重大,,很容易导致误报警或不报警,,降低了系统的可靠性。。。。

       为了战胜上述现有手艺之缺乏,,提供一种结构简朴、降低接地碳刷磨损、事情可靠的新型风力发电机滑环刷架集电装置。。。。 这种风力发电机滑环刷架集电装 置,,包括滑环、刷架、主碳刷、接地碳刷,,用卷式恒压弹簧压住接地碳刷带有报警压片的受压端。。。。釆用恒压弹簧接地刷握结构,,大大改善碳刷运行时的受力,,降低了磨损 ;;;;;在行念头构上精简了却构,,电刷直接触碰报警单位,,有力增强了报警机构的可靠性。。。。


1277星际电子(中国游)官方游戏网址 
 
 
       卷式恒压弹簧也被称为碳刷架弹簧,,它具有以下的特色:
       1. 由于定力,,岂论碳刷是非皆与整流子坚持相同压力。。。。
       2. 定力发条降低碳刷摩耗,,增添碳刷寿命,,并降低电流消耗。。。。
       3. 可小型化马达设计,,缩小马达外径。。。。
       4. 可增添碳刷长度。。。。
       5. 可使用较大的整流子。。。。
       6. 镌汰火花,,降低电磁滋扰(EMI)。。。。
 
1277星际电子(中国游)官方游戏网址 
 
        并且碳刷弹簧是电念头的主要组成部分。。。。由于情形和应用的原因,,我们需要经常使用它。。。。那么相识在那里购置优质碳弹簧至关主要。。。。
  
       1277星际电子细密是全球的弹簧制造商,,拥有二十多年的弹簧制造履历,,作为专业的弹簧供应商,,我们可以提供种种碳刷弹簧,,同时提供州差别的发条弹簧应用设计息争决方案,,我们真挚的建议客户在产品导入研发初期,,就能和1277星际电子研发工程师取得咨询服务。。。。遵照客户之需求及协助产品设计、开发、打样,,让您的产品找到最佳的解决方案,,以知足您的应用需求。。。。

【网站地图】